כניסה
/
הרשמה
בקשת הצעת מחיר
עגלת קניות (0)
אין מוצרים בסל הקניות שלך
EN
All
כל מה שצריך מסביב
אודות ALPEN - MAYKESTAG
אודות VARGUS
אודות VIGOR
BP815
אודות חברת Black & Decker
TRONEX
אודות IRIMO
CAT SALE
בוסטרים וקומפרסורים לרכב
ביגוד הנעלה ובטיחות
ביטים אימפקטור WHIRLPOWER
גוזמים / קוצצים
ג'ק הידראולי לרכב
חבילות
חבקים
כלי עבודה מטיטניום
כלי עבודה מנירוסטה
כרטיס מתנה
מכסחות דשא
מפוח / שואב עלים
מטען מצברים
משאבות מים
מוצרי בריליום באקו כולל לינקים
מפתח שבדי מתכוונן ג'וקר סדרה 6004 מ"מ וורה
סולמות ועגלות שינוע
סט מפתח מומנט של Whirlpower
סיפריית קטלוגים
ספקים של מותג CAT!
פריטים חדשים באתר
פינצטות טיטניום TRONEX
צור קשר
קטלוג מוצרים
רתכות
רכב הדגמה-הדרכות, הדגמות מקצועיות ותצוגה, השירות בחינם!
רצ"ט Koloss WERA
רצ"ט Zyklop
NEW
SALE
תפריט
חיפוש
עגלת קניות
Personal menu
מיון לפי
סגור
כלים ידניים וציוד טכני
back
אצבעות מכניות, מראות ומוטות
back
אצבעות מכניות והרמה
מראות / מוט טלסקופיות
אקדחי סיכות וניטים
back
אקדחי ניטים
אקדחי סיכות
סיכות ומסמרים
אינטרקומים
back
אינטרקום
אלקטרודות והארקה
back
אלקטרודות ואביזרי הארקה
אלקטרודות הארקה
אלקטרודות
אל פסק
אביזרי בית חכם GEWISS
אינטרלוקים
ארונות פוליאסטר
אביזרים ללוחות
אומגות
אביזרים לכבלי רשת
ארונות חשמל לאתרי בניה
ארונות מתכת
אביזרים לסידור כבלים
ארונות תקשורת
אביזרים לעמדות טעינה
אביזרים למפוחים
בוקסות, מאריכים וביטים
back
אביזרים לבוקסות
בוקסות בודדות
ביטים
מאריכים ומתאמים מגנטיים
סטים בוקסות
סט ביטים
ברגים אומים ומוטות הברגה
back
אומים ושייבות
אומים
ברגים ואומים מפלדה מגולוונת
ברגים ואומים מפלדה מגולוונת באבץ חם
ברגים ואומים
ברגי יסוד
מוטות הברגה
מוטות הברגה מגולוונים
עוגן פליז
בית חכם EGO SMART
ג'ל השחלה
גרב רשת
גלאים
דוקרנים ומסרטים
back
דוקרנים
מסרטים
דוושות
התקנה שקועה לקופסאות
הגנת נחשולי מתח + ברקים
הגנת מנועים
זכוכיות מגדלת ולופות
back
זכוכיות מגדלת
לופות
מפסקים ושקעים סיסטם- שחור
זרועות
back
זרוע כבדה לקיר מפלדה באבץ חם
זרוע קלה לקיר מפלדה מגולוונת
כלי עבודה לפי תחומי מקצוע
back
אלקטרוניקה והייטק
אינסטלציה וצנרת
אנטי סטטי וחדרים נקיים
אדריכלים
גינון
הלחמה
חובבן / DIY
זגגים/זגגות
חשמלאות
טכנאים
כלים וציוד לעבודה בגובה
לבית
מוסך ומכונאות רכב
מבודד / 1000V
מיזוג וקירור
מסגרות וחריטה
מיגון ובטיחות
נגרות
ניקיון
עיבוד שבבי
קמפינג והישרדות
קוסמטיקה
שענים ותכשיטנות
תקשורת
תעופה
ארגזי כלים מזוודות ועגלות
back
ארגזי כלים
ארונות, עגלות ומגשי כלים
back
אורגינייזרים ומגשי איחסון
מגשי כלי עבודה
ארון / עגלת כלים
עגלות שירות
מזוודות ותיקים
מיטות מוסך
שולחנות עבודה
back
אביזרים לשולחנות ועגלות
שולחנות
ביגוד הנעלה ובטיחות
back
אוזניות ואטמי אוזניים
ביגוד והנעלה
back
גרבי עבודה
דובונים
ווסט לעבודה
חגורות
חולצות
חלוק מעבדה
חליפות סערה
חרמוניות
כובעים
מכנסיים
סווטשירטים
סרבלים
כפפות
מגיני ברכיים
מגיני פנים ונשמיות
משקפי מגן
קסדות מגן
שעוני ג'י שוק
סולמות ועגלות שינוע
back
סולמות
עגלות שינוע והובלה
כלי עבודה חשמליים ופנאומטים
back
אקדחי דבק חם
אביזרים לכלים חשמליים
back
אביזרים לפטישונים
אביזרים למקדחות/מברגות
אביזרים למשורים אנכיים
אביזרים למפזרי חום
אביזרים לדרמל
אביזרים למשחזות זווית
חשמליים ונטענים
back
אקדחים / מרססים
אקדחי סיכות
בלאוורים / אקדחי חום
מברגות
מקדחות
משורים
מפוח / שואב
מלטשות
משחזות
מולטיטול / דרמל
מקדחות עמוד / שולחן
מפתחות רטיטה
מכונות שטיפה
מחבר ביסקוויטים ומקצוע
סטים ליתיום
עפרון חשמלי
פטישונים
פטישי קידוח וחציבה
רוטרים
סוללות ומטענים
פנאומטים
צור קשר
יצרנים
back
ALPEN - MAYKESTAG
OLFA
A-MAG
AIGBWO
הכל לחשמל וכלי עבודה
ANEX
FLUKE
פנדה
GBFORCE
BAHCO
BRITOOL EXPERT
BLOSTA
BERNZOMATIC
BOSCH
BHACO WORK AT HEIGHT
Black & Decker
CHAMPION
DREMEL
DONGES
ELEMATIC CABLING SYSTEMS
CAT
ELECTRO THERM
EINHELL שנתיים אחריות
EXPERT
ERCO
EVIK
FLOTT
GBZULL
GBHOME
GBNING
צפה בכל
מותגי היבוא שלנו
תפריט
כלים ידניים וציוד טכני
back
אצבעות מכניות, מראות ומוטות
back
אצבעות מכניות והרמה
מראות / מוט טלסקופיות
אקדחי סיכות וניטים
back
אקדחי ניטים
אקדחי סיכות
סיכות ומסמרים
אינטרקומים
back
אינטרקום
אלקטרודות והארקה
back
אלקטרודות ואביזרי הארקה
אלקטרודות הארקה
אלקטרודות
אל פסק
אביזרי בית חכם GEWISS
אינטרלוקים
ארונות פוליאסטר
אביזרים ללוחות
אומגות
אביזרים לכבלי רשת
ארונות חשמל לאתרי בניה
ארונות מתכת
אביזרים לסידור כבלים
ארונות תקשורת
אביזרים לעמדות טעינה
אביזרים למפוחים
בוקסות, מאריכים וביטים
back
אביזרים לבוקסות
בוקסות בודדות
ביטים
מאריכים ומתאמים מגנטיים
סטים בוקסות
סט ביטים
ברגים אומים ומוטות הברגה
back
אומים ושייבות
אומים
ברגים ואומים מפלדה מגולוונת
ברגים ואומים מפלדה מגולוונת באבץ חם
ברגים ואומים
ברגי יסוד
מוטות הברגה
מוטות הברגה מגולוונים
עוגן פליז
בית חכם EGO SMART
ג'ל השחלה
גרב רשת
גלאים
דוקרנים ומסרטים
back
דוקרנים
מסרטים
דוושות
התקנה שקועה לקופסאות
הגנת נחשולי מתח + ברקים
הגנת מנועים
זכוכיות מגדלת ולופות
back
זכוכיות מגדלת
לופות
מפסקים ושקעים סיסטם- שחור
זרועות
back
זרוע כבדה לקיר מפלדה באבץ חם
זרוע קלה לקיר מפלדה מגולוונת
כלי עבודה לפי תחומי מקצוע
back
אלקטרוניקה והייטק
אינסטלציה וצנרת
אנטי סטטי וחדרים נקיים
אדריכלים
גינון
הלחמה
חובבן / DIY
זגגים/זגגות
חשמלאות
טכנאים
כלים וציוד לעבודה בגובה
לבית
מוסך ומכונאות רכב
מבודד / 1000V
מיזוג וקירור
מסגרות וחריטה
מיגון ובטיחות
נגרות
ניקיון
עיבוד שבבי
קמפינג והישרדות
קוסמטיקה
שענים ותכשיטנות
תקשורת
תעופה
ארגזי כלים מזוודות ועגלות
back
ארגזי כלים
ארונות, עגלות ומגשי כלים
back
אורגינייזרים ומגשי איחסון
מגשי כלי עבודה
ארון / עגלת כלים
עגלות שירות
מזוודות ותיקים
מיטות מוסך
שולחנות עבודה
back
אביזרים לשולחנות ועגלות
שולחנות
ביגוד הנעלה ובטיחות
back
אוזניות ואטמי אוזניים
ביגוד והנעלה
back
גרבי עבודה
דובונים
ווסט לעבודה
חגורות
חולצות
חלוק מעבדה
חליפות סערה
חרמוניות
כובעים
מכנסיים
סווטשירטים
סרבלים
כפפות
מגיני ברכיים
מגיני פנים ונשמיות
משקפי מגן
קסדות מגן
שעוני ג'י שוק
סולמות ועגלות שינוע
back
סולמות
עגלות שינוע והובלה
כלי עבודה חשמליים ופנאומטים
back
אקדחי דבק חם
אביזרים לכלים חשמליים
back
אביזרים לפטישונים
אביזרים למקדחות/מברגות
אביזרים למשורים אנכיים
אביזרים למפזרי חום
אביזרים לדרמל
אביזרים למשחזות זווית
חשמליים ונטענים
back
אקדחים / מרססים
אקדחי סיכות
בלאוורים / אקדחי חום
מברגות
מקדחות
משורים
מפוח / שואב
מלטשות
משחזות
מולטיטול / דרמל
מקדחות עמוד / שולחן
מפתחות רטיטה
מכונות שטיפה
מחבר ביסקוויטים ומקצוע
סטים ליתיום
עפרון חשמלי
פטישונים
פטישי קידוח וחציבה
רוטרים
סוללות ומטענים
פנאומטים
צור קשר
יצרנים
back
ALPEN - MAYKESTAG
OLFA
A-MAG
AIGBWO
הכל לחשמל וכלי עבודה
ANEX
FLUKE
פנדה
GBFORCE
BAHCO
BRITOOL EXPERT
BLOSTA
BERNZOMATIC
BOSCH
BHACO WORK AT HEIGHT
Black & Decker
CHAMPION
DREMEL
DONGES
ELEMATIC CABLING SYSTEMS
CAT
ELECTRO THERM
EINHELL שנתיים אחריות
EXPERT
ERCO
EVIK
FLOTT
GBZULL
GBHOME
GBNING
צפה בכל
מותגי היבוא שלנו
ראשי
/
קטלוג מוצרים
/
הכל לחשמל וגם כלי עבודה
/
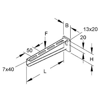
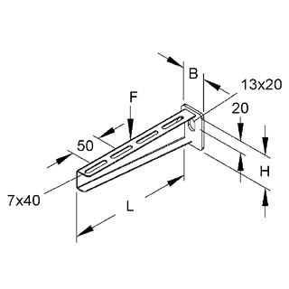
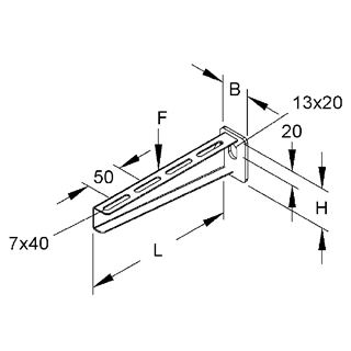
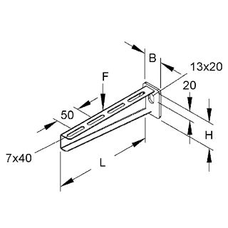
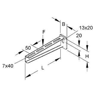
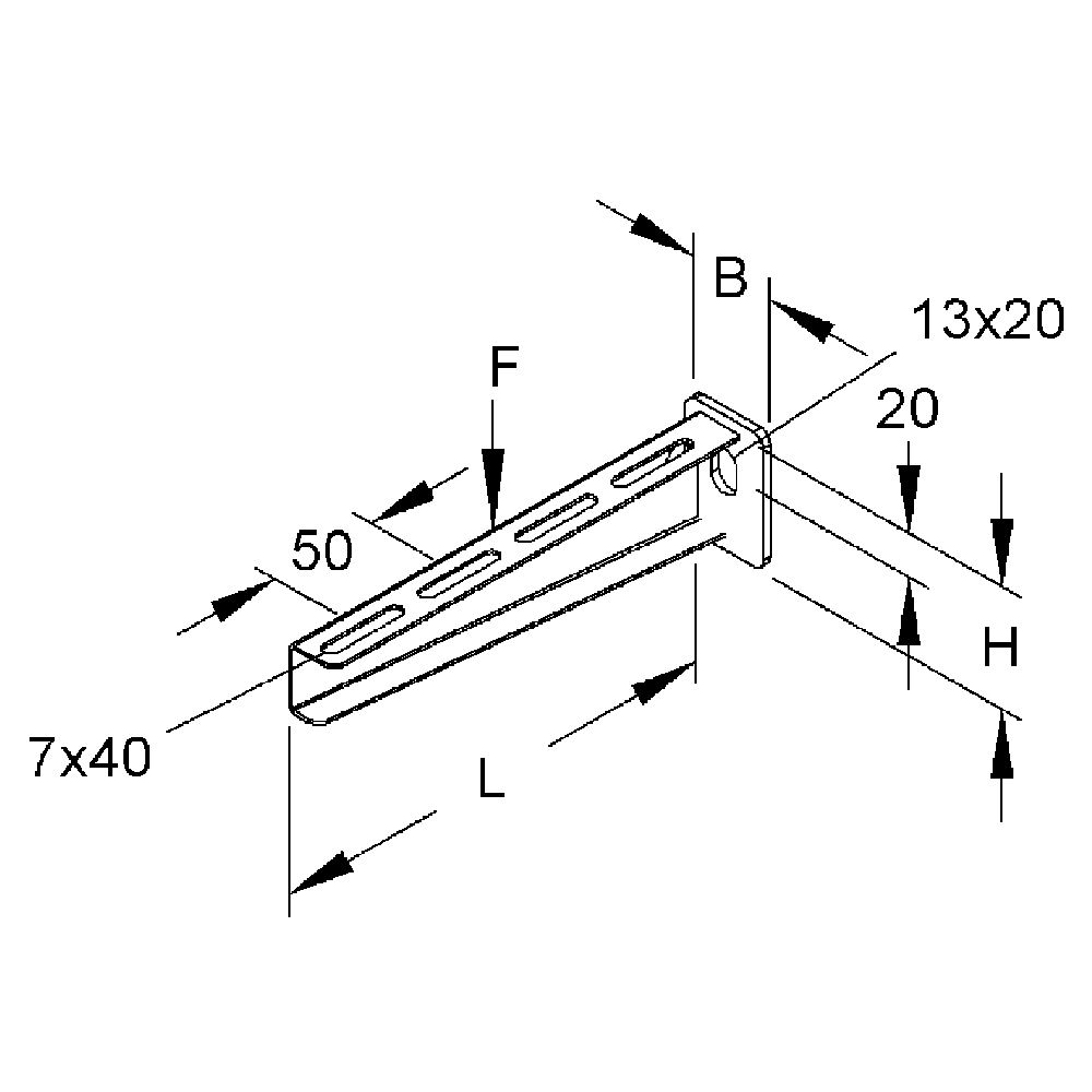
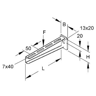
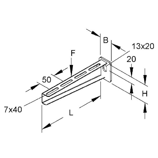
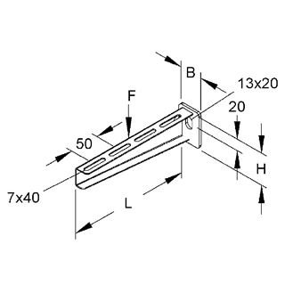
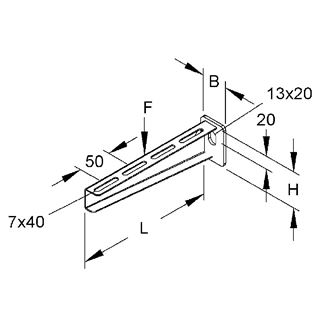
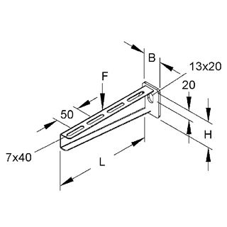
זרוע כבדה גלוון חם לקיר ועמוד KTA 100 - לבחירה
Sorry - this product is no longer available
זרוע כבדה גלוון חם לקיר ועמוד KTA 100 - לבחירה
שתף מוצר
מפרט טכני
צור קשר
מפרט המוצר
אורך
משתנה
בחר...
מערכת כבדה לתקרה מפלדה מגולוונת באבץ חם
בחר...
הכל לחשמל וגם כלי עבודה
זרוע כבדה גלוון חם לקיר ועמוד KTA 100
מק"ט:
8911036
מחיר:
15 ₪
לחברי מועדון:
13 ₪
זרוע כבדה גלוון חם לקיר ועמוד KTA 200
מק"ט:
8911041
מחיר:
20 ₪
לחברי מועדון:
18 ₪
זרוע כבדה גלוון חם לקיר ועמוד KTA 400
מק"ט:
8911051
מחיר:
34 ₪
לחברי מועדון:
31 ₪
זרוע כבדה גלוון חם לקיר ועמוד KTA 600
מק"ט:
8911061
מחיר:
53 ₪
לחברי מועדון:
47 ₪
זרוע כבדה גלוון חם לקיר ועמוד KTA 700
מק"ט:
8911066
מחיר:
114 ₪
לחברי מועדון:
102 ₪
זרוע כבדה גלוון חם לקיר ועמוד KTA 800
מק"ט:
8911071
מחיר:
131 ₪
לחברי מועדון:
117 ₪
זרוע כבדה גלוון חם לקיר ועמוד KTA 300
מק"ט:
8911046
מחיר:
27 ₪
לחברי מועדון:
24 ₪
זרוע כבדה גלוון חם לקיר ועמוד KTA 900
מק"ט:
8911076
מחיר:
145 ₪
לחברי מועדון:
130 ₪
זרוע כבדה גלוון חם לקיר ועמוד KTA 1000
מק"ט:
8911081
מחיר:
160 ₪
לחברי מועדון:
144 ₪
מפרט המוצר
אורך
משתנה
בחר...
מערכת כבדה לתקרה מפלדה מגולוונת באבץ חם
בחר...
הכל לחשמל וגם כלי עבודה
SINCE
1947